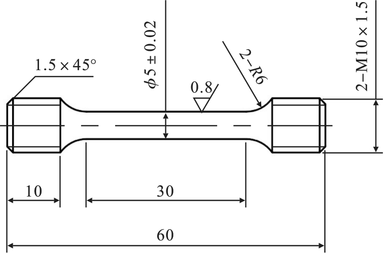
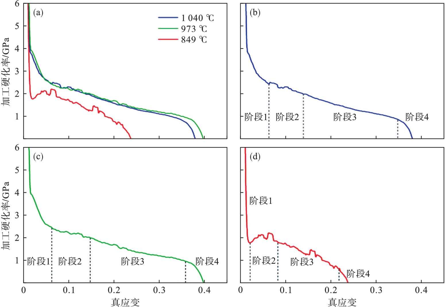
| [1] |
Guo H Y, Wu W T, Tan X, et al. Enhancing mechanical performance of high manganese austenitic steel through deformation at cryogenic temperatures and high strain rates[J]. Materials Characterization, 2025, 228: 115379.
|
| [2] |
Wang Y H, Zhang Y B, Godfrey A, et al. Cryogenic toughness in a low-cost austenitic steel[J]. Communications Materials, 2021, 2(1): 44.
|
| [3] |
任家宽. 高锰奥氏体钢极低温强韧化机理研究及新钢种开发[D]. 沈阳: 东北大学,2022.
|
|
Ren Jia-kuan. Study on strengthening and toughening mechanism of high manganese austenitic steel at extremely low temperature and development of new steel grades[D]. Shenyang: Northeastern University, 2022.
|
| [4] |
Qi X Y, Fang Q W, Wang Z K, et al. Effect of interstitial carbon/nitrogen content on microstructure and tensile deformation behavior of Cr-bearing high-Mn steel[J]. Materials Science and Engineering: A, 2025, 943: 148792.
|
| [5] |
Liu Z G, Gao X H, Xiong M, et al. Role of hot rolling procedure and solution treatment process on microstructure, strength and cryogenic toughness of high manganese austenitic steel[J]. Materials Science and Engineering: A, 2021, 807: 140881.
|
| [6] |
Sohn S S, Hong S, Lee J, et al. Effects of Mn and Al contents on cryogenic-temperature tensile and Charpy impact properties in four austenitic high-Mn steels[J]. Acta Materialia, 2015, 100: 39-52.
|
| [7] |
De Barbieri F, Jorge-Badiola D, Allende R, et al. Effect of Cr content in temperature-dependent mechanical properties and strain hardening of a twinning-induced plasticity steel[J]. Materials Science and Engineering: A, 2024, 889: 145865.
|
| [8] |
Lee S M, Park I J, Jung J G, et al. The effect of Si on hydrogen embrittlement of Fe-18Mn-0.6C-xSi twinning-induced plasticity steels[J]. Acta Materialia, 2016, 103: 264-272.
|
| [9] |
Liu D, Yang D P, Hou Y, et al. Strain rate effects on mechanical properties, microstructural evolution, and deformation mechanisms of high manganese steels[J]. Journal of Materials Science & Technology, 2025, 237: 219-255.
|
| [10] |
Tang C L, Yang J F, Zhang F, et al. Twin-related grain boundary engineering of additively manufactured 316L stainless steel[J]. Acta Materialia, 2025, 301: 121503.
|
| [11] |
Liang Z Y, Li Y Z, Huang M X. The respective hardening contributions of dislocations and twins to the flow stress of a twinning-induced plasticity steel[J]. Scripta Materialia, 2016, 112: 28-31.
|
| [12] |
Liu C L, Franz R, Dierk R. Finite strain crystal plasticity-phase field modeling of twin, dislocation, and grain boundary interaction in hexagonal materials[J]. Acta Materialia, 2023, 242:118444.
|
| [13] |
De Cooman B C, Estrin Y, Kim S K. Twinning-induced plasticity (TWIP) steels[J]. Acta Materialia, 2018, 142: 283-362.
|
| [14] |
Kubin L P, Mortensen A. Geometrically necessary dislocations and strain-gradient plasticity: a few critical issues[J]. Scripta Materialia, 2003, 48(2): 119-125.
|
| [15] |
Gao H, Huang Y, Nix W D, et al. Mechanism-based strain gradient plasticity: I. theory[J]. Journal of the Mechanics and Physics of Solids, 1999, 47(6): 1239-1263.
|
| [16] |
Zhu C Y, Harrington T, Gray G T, et al. Dislocation-type evolution in quasi-statically compressed polycrystalline nickel [J]. Acta Materialia, 2018, 155: 104-116.
|
| [17] |
Chen J, Ren J K, Liu Z Y, et al. The essential role of niobium in high manganese austenitic steel for application in liquefied natural gas tanks[J]. Materials Science and Engineering: A, 2020, 772: 138733.
|
| [18] |
Bouaziz O, Allain S, Scott C P, et al. High manganese austenitic twinning induced plasticity steels: a review of the microstructure properties relationships[J]. Current Opinion in Solid State and Materials Science, 2011, 15(4): 141-168.
|