Journal of Northeastern University(Natural Science) ›› 2026, Vol. 47 ›› Issue (1): 67-74.DOI: 10.12068/j.issn.1005-3026.2026.20240146

• Information & Control • Previous Articles     Next Articles

Distributed Resilient Control of DC Microgrid Under False Data Injection Attack

Yuan-zheng TAI, Fan-wei MENG(), Yu ZHANG   

  1. School of Information Science & Engineering,Northeastern University,Shenyang 110819,China. Corresponding author: MENG Fan-wei,E-mail: mengfanwei@neuq. edu. cn
  • Received:2024-07-06 Online:2026-01-15 Published:2026-03-17
  • Contact: Fan-wei MENG

Abstract:

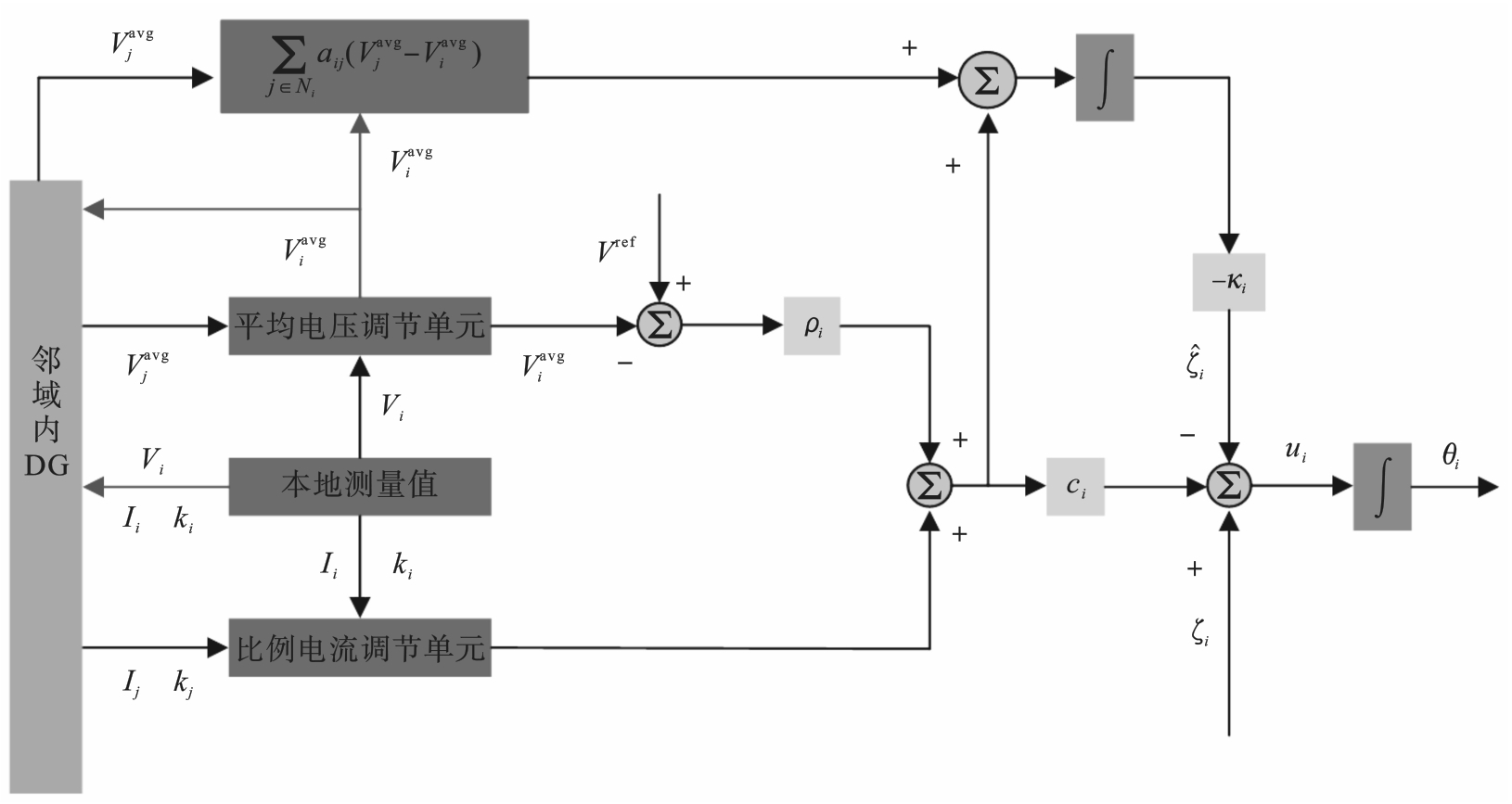
In order to solve the problem of voltage deviation and current distribution imbalance in direct current (DC) microgrid under false data injection attack, a distributed resilient cooperative control method was proposed by taking the islanded DC microgrid with multiple distributed generators as the research object. This method could effectively eliminate the impact of false data injection attacks and will not interfere with the operation of the system under normal circumstances. The Lyapunov stability theory was used to prove that the DC microgrid can operate stably when it is attacked by any constant false data injection, achieving the two control objectives of voltage regulation and current distribution. The simulation model was built by MATLAB/Simulink, and the validity of the control method was verified.

Key words: DC microgrid, false data injection attack, distributed secondary control, resilient control method, voltage regulation, current distribution

CLC Number: